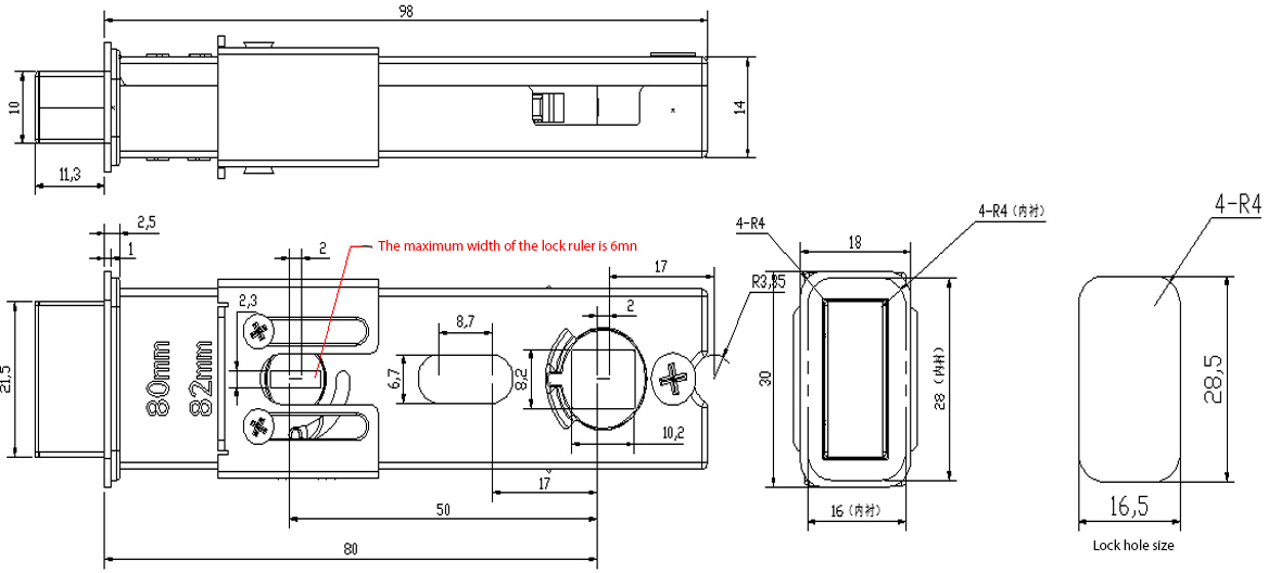
Product description
Product Description:
1. Insurance center 120.5mm
2. No quick-open feature
3. Angle 45

D60-E magnetic lock gold

Appearance parameter
