Product description

Quick install D48, 49, 50 universal magnetic lock

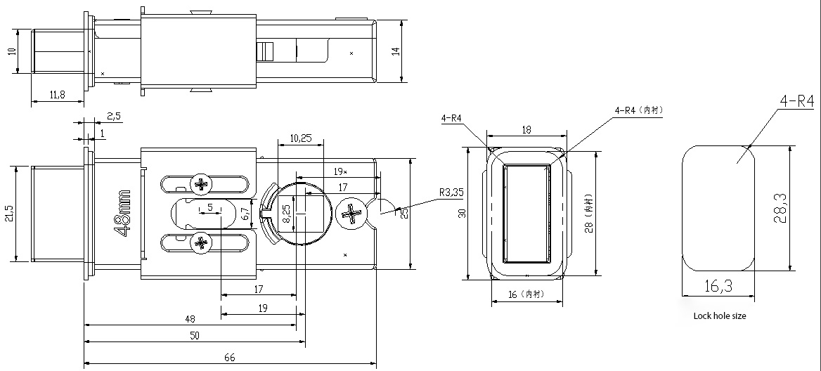
Appearance parameter


Sign up for our newsletter